
If you spend any time around bolt-action rifles, you’ll hear shooters toss around terms like “short action” and “long action.” It sounds simple enough—one is short, the other is long—but there’s a lot of myth and half-truth floating around this subject. The reality is more nuanced, and once you understand how cartridge length, magazine dimensions, bolt faces, and bullet seating work together, the whole picture becomes clear. Understanding short action vs long action cartridges is essential for any serious shooter.
Understanding short action vs long action is vital for ensuring you choose the right equipment for your needs. Many shooters debate the merits of short action vs long action cartridges, and knowing the differences can help you make informed decisions.
This guide will help clarify the distinctions between short action vs long action, aiding in your rifle selection process.
This article explains exactly what action length means, gives examples of the cartridges that belong to each class, discusses bolt face sizes and feeding geometry, and shows why these distinctions matter in practice. Along the way, we’ll reference official SAAMI cartridge drawings to provide a clear, authoritative comparison.
By differentiating short action vs long action and other variants, we can choose the right rifle for specific shooting applications.
What We Mean by “Action Length”
Understanding Short Action vs Long Action
Think of the rifle’s action as the engine block—it houses the bolt, supports the barrel, and holds the magazine. The “length” part refers to how far the bolt has to travel and how much room the receiver and magazine give you for a cartridge.
The dimension that matters most is the overall length (OAL) of the loaded round, not just the brass case. A cartridge with a short case but a long, high-BC bullet can end up demanding more room than you’d expect.
Action Classes in Practice
By grasping the concept of short action vs long action, you can optimize your shooting experience.
| Action Class | Typical Magazine Internal Length | Common Cartridge Examples |
|---|---|---|
| Mini / Micro | ~2.26" | .223 Rem, 5.56 NATO, .300 BLK |
| Short Action | ~2.80–2.86" | .308 Win, 6.5 Creedmoor, .243 Win |
| Medium / “XM” | ~3.0–3.2" | 6.5×55 Swede, 7×57 Mauser, 6.5 PRC |
| Long Action | ~3.34" | .30-06, .270 Win, .280 Rem |
| Magnum / XL | ~3.6"+ | .375 H&H, .300 Weatherby Magnum |
The Classic Short-Action Cartridges
Short actions shine in compact, quick-handling rifles. They’re lighter, their bolts cycle with a shorter stroke, and the receiver tends to be a bit stiffer. These traits are prized in mountain rifles, tactical builds, and general-purpose hunting rifles.
| Cartridge | Parent Case | Bullet Range | Notes |
|---|---|---|---|
| .308 Winchester | Original | 110–180gr | Benchmark short-action round |
| 7mm-08 Remington | .308 necked to 7mm | 120–160gr | Excellent deer/elk option |
| .243 Winchester | .308 necked to 6mm | 55–105gr | Varmint to whitetail versatile |
| .260 Remington | .308 necked to 6.5mm | 120–140gr | Predecessor to 6.5 Creedmoor |
| 6.5 Creedmoor | Unique | 120–147gr | Optimized for modern long bullets |
| .22-250 Remington | .250 Savage | 40–64gr | High velocity varmint |
| .338 Federal | .308 necked up | 180–210gr | Short-action heavy hitter |
| .300 WSM / 270 WSM / 7mm WSM | Winchester short magnum | 130–200gr | Magnum power in short rifles |
Long action versatility compared to short action efficiency is a central theme in the short action vs long action discussion.

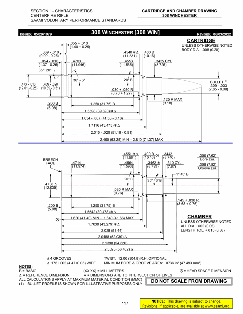
Short-action cartridge standardized by SAAMI. OAL: 2.80". Common parent for .243 Win, 7mm-08, .260 Rem, and .338 Federal.
The Classic Long-Action Cartridges
In the context of hunting, the choice between short action vs long action can significantly impact your results.
Long actions are the home of the great American standards. They offer more room for heavy bullets and larger powder charges, which means more flexibility for hunters and reloaders.
Understanding the differences between short action vs long action cartridges will enhance your shooting skills.
| Cartridge | Parent Case | Bullet Range | Notes |
|---|---|---|---|
| .30-06 Springfield | Original | 150–220gr | Versatile all-around cartridge |
| .270 Winchester | .30-06 necked to .277" | 130–150gr | Legendary flat-shooter |
| .25-06 Remington | .30-06 necked to .257" | 90–120gr | Fast and flat for antelope/deer |
| .280 Remington / .280 AI | .30-06 necked to 7mm | 140–175gr | Excellent long-range 7mm |
| .35 Whelen | .30-06 necked to .358" | 200–250gr | Big-game authority |
| 7mm Remington Magnum | .375 H&H parent | 140–175gr | Popular belted magnum |
| .300 Winchester Magnum | .375 H&H parent | 165–220gr | Classic long magnum |

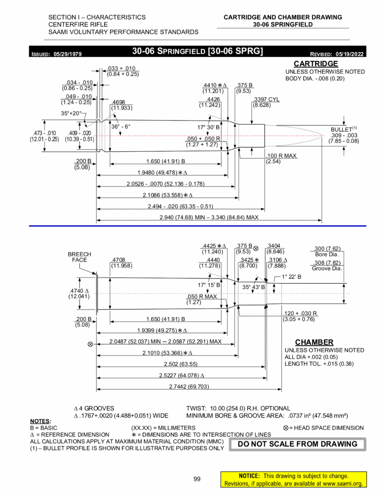
Long-action cartridge standardized by SAAMI. OAL: 3.34". Benchmark of the long-action family, including .270 Win, .25-06, and .280 Rem.
Short Magnums vs Long Magnums
The magnum family highlights the differences even more clearly:
- Short magnums (like .300 WSM) achieve magnum performance in short actions by using wide, fat cases.
- Long magnums (like .300 Win Mag) fit in long actions, often using belted cases, with more OAL headroom for heavy bullets.


The “In-Between” or Medium-Length Rounds
Some cartridges fall between short and long action. These are often chambered in long actions today for convenience, but truly benefit from “medium” or “XM” receivers.
| Cartridge | OAL | Best Action | Notes |
|---|---|---|---|
| 7×57 Mauser | ~3.07" | Medium | Historic military & hunting round |
| 8×57 Mauser | ~3.25" | Medium | German classic |
| 6.5×55 Swedish | ~3.15" | Medium | Long-throated design, excellent with heavy bullets |
| .284 Winchester | 2.80" nominal | Medium/Long | Popular in long-range when loaded long |
| 6.5 PRC | ~2.95–3.00" | Medium | Modern 6.5mm hotrod |
Where Medium Actions and European Classics Fit
A number of historically important cartridges fall between short and long. These include:
- 7×57 Mauser and 8×57 Mauser – Often happiest in an intermediate/“Mauser-length” action; many modern makers still use a long action for logistical simplicity.
- 6.5×55 Swedish – OAL often benefits from a medium-length action; many commercial rifles chamber it in long actions with appropriate magazine blocking.
- .284 Winchester – Short-action magazine length on paper, but popular in competition when seated long (often in long actions) to exploit heavy, high-BC bullets.
- 6.5 PRC – Designed for modern 6.5mm bullets at higher speeds; nominal OAL runs a bit longer than classic short-action numbers, so it frequently benefits from a “medium” (or long with a suitable magazine).
These examples underscore the central theme: OAL and intended bullet seating drive the best action choice.
Combined Visual Comparison

Consider the short action vs long action options when selecting your next rifle to maximize your performance.
Design Trade-Offs: Short vs Long
- Rifle size, weight, and handling
- Short action: Slightly shorter receiver and bolt stroke can reduce rifle weight and shorten overall length. In mountain or compact builds, every ounce and inch can matter.
- Long action: Slightly heavier and longer—differences are real but modest. With modern materials (carbon stocks, light barrels), builders routinely keep long-action rifles light.
- Bolt travel
- Short action: Shorter bolt throw (distance traveled), which can feel faster to cycle.
- Long action: Longer bolt travel. Bolt lift angle (e.g., 60° vs 90°) is a separate design choice, not dictated by action length.
- Receiver stiffness and precision potential
- Short action: Shorter receiver ring and bridge can be stiffer, theoretically aiding consistency.
- Long action: Slightly less stiff by geometry, but barrel quality, bedding, and ammo matter more.
- Magazine capacity
- Capacity is mainly driven by case diameter and geometry. A short-action rifle may sometimes carry one more round than a comparable long-action rifle, but this isn’t universal.
- Bullet seating and performance
- Short action: Long, high-BC bullets may need to be seated deeper, reducing usable case capacity. The 6.5 Creedmoor was engineered to address this by balancing case length with throat design.
- Long action: More OAL headroom for seating bullets long, which benefits cartridges like .30-06 and wildcats like long-seated .308.
- Feeding reliability
- Short action: Compact cartridge stacks can feed very smoothly, especially with beltless designs.
- Long action: Long, tapered cases (7×57, 6.5×55) feed superbly. Belted magnums and fat magnums can be more temperamental.
- Ammunition availability and versatility
- Short action: The .308 family and Creedmoors dominate the modern market. Short magnums add options, but magazine length can be limiting.
- Long action: The .30-06 family and long magnums are supported globally, making them versatile for hunting worldwide.
Clearing Up Common Myths
| Myth | Reality |
|---|---|
| “Short actions are less powerful” | Power comes from case capacity & pressure, not bolt stroke. |
| “Long actions are more accurate” | Accuracy comes from barrel, chamber, ammo, bedding—not action length. |
| “Bolt lift angle depends on action length” | Lift angle comes from lug geometry, not receiver size. |
Bolt Faces, Extractors, and Feeding
Beyond length, bolt face diameter determines compatibility:
- Standard (.473"): .308, .30-06, 6.5 Creedmoor, .270 Win.
- Magnum (.532"): .300 Win Mag, 7mm Rem Mag, belted magnums.
- Short Magnum / WSM (~.535–.555"): Fatter rebated rims for WSM family.
- Dangerous Game (.545–.580"+): .375 H&H, .416 Rigby, .458 Win Mag.
Feed ramp design, extractor shape, and magazine geometry all affect reliability. Classic Mauser-tapered cases feed almost flawlessly. Fat, short magnums push magazine design limits and sometimes reduce capacity.
Historical Context
- Mauser 98 actions varied in length for 7×57, 8×57, and longer cartridges.
- Winchester Model 70 and Remington 700 cemented the American short vs long distinction in the mid-20th century.
- British sporting rifles (Holland & Holland, Rigby) created the magnum/XL receivers to accommodate .375 H&H and larger dangerous-game rounds.
Modern precision actions (Defiance, Impact, Terminus) now offer medium/XM lengths tailored for cartridges like 6.5 PRC that don’t fit neatly in the short/long binary.
Picking the Right Action for Your Needs
| If You Want… | Choose… | Example |
|---|---|---|
| Lightweight mountain rifle | Short action | 6.5 Creedmoor, .308 Win |
| All-purpose North American rifle | Long action | .30-06, .270 Win |
| Magnum power in compact package | Short action magnum | .300 WSM |
| Room for long, heavy bullets | Long or medium | .284 Win, 6.5 PRC |
| Classic dangerous-game performance | Magnum/XL | .375 H&H, .416 Rigby |
Final Thoughts
Action length isn’t about raw power, magic accuracy, or bragging rights. It’s about matching the rifle’s “engine block” to the cartridge’s overall length, ensuring that magazines feed smoothly, bolt faces align with case heads, and bullets can be seated optimally. Ultimately, the performance differences in short action vs long action will help you decide what suits your needs best.
By exploring the short action vs long action topic, you will gain valuable insights for your next purchase. A short action in 6.5 Creedmoor might be the perfect lightweight mountain rifle. A long action in .30-06 might be the most versatile tool in your cabinet. A .300 WSM short magnum might split the difference beautifully. At the end of the day, understanding short action vs long action is critical for shooters of all levels.
Once you understand the simple truth of short action vs long action--overall length drives action length, while bolt face and magazine geometry determine compatibility—the jargon falls away, and the rifle world starts to make sense.
SAAMI, the Sporting Arms & Ammunication Manufacturers Institute publishes the standards on cartridges. Their site can be found here. Drawings and specs for all standardized cartridges can be found on their site.
If you know of any forums or sites that should be referenced on this listing, please let us know here.



